Подшипник 9039412 Л, (29412 M)
Подшипник 9039412 Л, (29412 M) фото-2
Подшипник 9039412 Л, (29412 M) фото-3
Подшипник 9039412 Л, (29412 M)
Подшипник 9039412 Л, (29412 M) фото-2
Подшипник 9039412 Л, (29412 M) фото-3

Подшипник 9039412 Л, (29412 M)

180,00 руб.
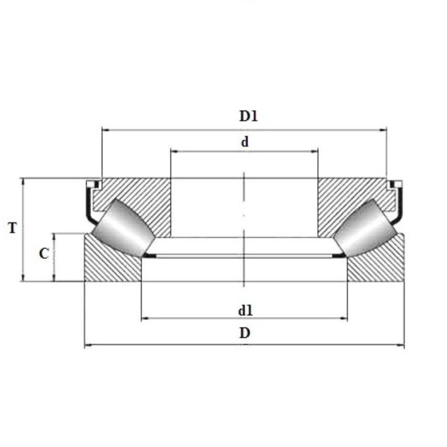
Подшипник 9039412 Л (аналог: 29412 M, латунный сепаратор), производитель МПЗ (Беларусь). размер в мм. 60*130*42 (внутренний диаметр / наружный диаметр / ширина) Основные характеристики: подшипник качения роликовый упорно-радиальный сферический Внутренний диаметр (d) – 60 мм. Наружный диаметр (D) – 130 мм. Высота (T) – 42 мм. Ширина наружной обоймы (C) – 21 мм. Размер (d1) – 112 мм. Грузоподъемность динамическая (C) – 390 кН Грузоподъемность статическая (C0) – 915 кН Граничная нагрузка по усталости (Pu) - 114 Частота вращения номинальная – 2800 об/мин. Частота вращения предельная – 2800 об/мин. Подшипники сферические с роликами для упорных нагрузок состоят из колец – тугого и свободного, между которыми размещены ролики и сепаратор. Внешнее, свободное кольцо имеет сферическую дорожку качения, а ролики – выпуклую форму. Сепаратор обеспечивает фиксацию роликов в проектном положении. Тугое кольцо жестко фиксируется на цапфе вала и через него на свободное кольцо через тела качения передается рабочее усилие. При наклоне вала с тугим кольцом ролики и сепаратор смещаются по сферической внутренней поверхности свободного кольца, компенсируя перекос без последствий для механизма. Подшипники такого типа выпускают разборными, что позволяет устанавливать их без затруднений в самых сложных ситуациях. Тугое кольцо, ролики и сепаратор объединены в общую обойму и монтируются отдельно от свободного кольца. Производители предлагают купить роликовые упорные сферические подшипники разных диаметров и с различными эксплуатационными характеристиками. Серийные опоры согласно ISO выпускаются с диаметрами до 1600 мм. Более крупные детали многие известные бренды готовы произвести под заказ. Среди преимуществ упорных сферических роликоподшипников стоит отметить: · высокую стойкость к нагрузкам; · широкий диапазон скоростей; · стойкость к моментным силам; · продолжительный срок эксплуатации; · неприхотливость в обслуживании. Наша компания успешно работает на рынке и специализируется на поставках исключительно качественных, надёжных промышленных подшипников и комплектующих. Мы реализуем продукцию по ценам, доступным для каждого. Мы доставим товар в любой регион Беларуси в самые короткие сроки. предлагаем лучшую продукцию от мировых лидеров рынка. Широкий ассортимент продукции, где вы сможете выбрать необходимый товар, ориентируясь на размеры, от отечественных и зарубежных производителей. Корзина заказов интернет-магазина 7007 работает 24/7 Быстро реагируем на запросы наших клиентов. Наши специалисты предложат лучшее решение исходя из ваших задач.
Количество
  • Описание
  • Отзывы
Подшипник 9039412 Л (аналог: 29412 M, латунный сепаратор), производитель МПЗ (Беларусь). размер в мм. 60*130*42 (внутренний диаметр / наружный диаметр / ширина) Основные характеристики: подшипник качения роликовый упорно-радиальный сферический Внутренний диаметр (d) – 60 мм. Наружный диаметр (D) – 130 мм. Высота (T) – 42 мм. Ширина наружной обоймы (C) – 21 мм. Размер (d1) – 112 мм. Грузоподъемность динамическая (C) – 390 кН Грузоподъемность статическая (C0) – 915 кН Граничная нагрузка по усталости (Pu) - 114 Частота вращения номинальная – 2800 об/мин. Частота вращения предельная – 2800 об/мин. Подшипники сферические с роликами для упорных нагрузок состоят из колец – тугого и свободного, между которыми размещены ролики и сепаратор. Внешнее, свободное кольцо имеет сферическую дорожку качения, а ролики – выпуклую форму. Сепаратор обеспечивает фиксацию роликов в проектном положении. Тугое кольцо жестко фиксируется на цапфе вала и через него на свободное кольцо через тела качения передается рабочее усилие. При наклоне вала с тугим кольцом ролики и сепаратор смещаются по сферической внутренней поверхности свободного кольца, компенсируя перекос без последствий для механизма. Подшипники такого типа выпускают разборными, что позволяет устанавливать их без затруднений в самых сложных ситуациях. Тугое кольцо, ролики и сепаратор объединены в общую обойму и монтируются отдельно от свободного кольца. Производители предлагают купить роликовые упорные сферические подшипники разных диаметров и с различными эксплуатационными характеристиками. Серийные опоры согласно ISO выпускаются с диаметрами до 1600 мм. Более крупные детали многие известные бренды готовы произвести под заказ. Среди преимуществ упорных сферических роликоподшипников стоит отметить: · высокую стойкость к нагрузкам; · широкий диапазон скоростей; · стойкость к моментным силам; · продолжительный срок эксплуатации; · неприхотливость в обслуживании. Наша компания успешно работает на рынке и специализируется на поставках исключительно качественных, надёжных промышленных подшипников и комплектующих. Мы реализуем продукцию по ценам, доступным для каждого. Мы доставим товар в любой регион Беларуси в самые короткие сроки. предлагаем лучшую продукцию от мировых лидеров рынка. Широкий ассортимент продукции, где вы сможете выбрать необходимый товар, ориентируясь на размеры, от отечественных и зарубежных производителей. Корзина заказов интернет-магазина 7007 работает 24/7 Быстро реагируем на запросы наших клиентов. Наши специалисты предложат лучшее решение исходя из ваших задач.
Характеристики
Вес 2.47
Внутренний диаметр 60
Наружный диаметр 130
Высота 42
Материал изделия Высокоуглеродистая сталь
Число рядов тел качения 1
Тип сепаратора Механически обработанный
Материал сепаратора Латунь
Вид смазки Сухая
Тип подшипника Качения
loading