Корпусной подшипник UCT211 (TU55,NFB211,RTUEY55)
Корпусной подшипник UCT211 (TU55,NFB211,RTUEY55) фото-2
Корпусной подшипник UCT211 (TU55,NFB211,RTUEY55) фото-3
Корпусной подшипник UCT211 (TU55,NFB211,RTUEY55) фото-4
Корпусной подшипник UCT211 (TU55,NFB211,RTUEY55) фото-5
Корпусной подшипник UCT211 (TU55,NFB211,RTUEY55)
Корпусной подшипник UCT211 (TU55,NFB211,RTUEY55) фото-2
Корпусной подшипник UCT211 (TU55,NFB211,RTUEY55) фото-3
Корпусной подшипник UCT211 (TU55,NFB211,RTUEY55) фото-4
Корпусной подшипник UCT211 (TU55,NFB211,RTUEY55) фото-5

Корпусной подшипник UCT211 (TU55,NFB211,RTUEY55)

115,00 руб.
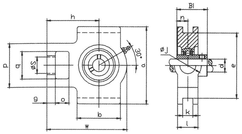
Интернет магазин подшипников. Доставка почтой в любой регион РБ. Оплата (наложенный платеж, наличные, безнал). Любую партию, даже от 1 единицы товара. Возможность оплаты картой. КОРПУСНОЙ ПОДШИПНИК UCT211 Размеры и параметры корпуса T 211 и корпусного подшипника UC 211 аналог TU..(SKF), RTUEY..(INA), LET(FKL). Внутренний диаметр (диаметр вала) — 55 мм; Наружный диаметр подшипника — 100 мм; Ширина подшипника (B1) — 55,6 мм; Длина корпуса (L) — 171 мм; Ширина корпуса (H) — 146 мм; Отверстие (N2 x N1) — 64×25 мм; Динамическая нагрузка — 41,23 kН; Статическая нагрузка — 27,93 kН; Масса — 4,1 кг. Подшипники типа UCT используют в сельскохозяйственных машинах, оборудовании, транспортерах, станках. Подшипники типа UCT являются очень подходящими для установки в труднодоступных местах. Корпуса обычно изготавливаются из прочного серого чугуна (именно такие распространены повсеместно), реже, для специфических условий эксплуатации, из пластика, прессованного металла, нержавеющей стали, каучука, других материалов. Сам корпусной подшипник имеет сферическое шлифованное наружное кольцо и легко устанавливается в гнездо корпуса (является самоцентрирующимся), при необходимости возможна быстрая замена выработавшего ресурс шарикоподшипника без демонтажа непосредственно корпуса. На вал подшипниковый узел крепится стопорным винтом (у других серий применяются закрепительные втулки и эксцентриковые кольца), при монтаже обычно оставляют небольшой зазор. Изделие широко используется в самых разных отраслях промышленности — на поточных линиях, конвейерах и подобном оборудовании, часто расход их на ремонт одного изделия составляет сразу несколько десятков. В подшипнике используется консистентная смазка, подаваемая в его полость через вертикальную масленку, желательно при работе подшипника, часто располагающуюся под небольшим углом (45 градусов) относительно оси или прямо по центру (как на рисунке), закрываемую по необходимости пластиковым колпачком.
Количество
  • Описание
  • Отзывы
Интернет магазин подшипников. Доставка почтой в любой регион РБ. Оплата (наложенный платеж, наличные, безнал). Любую партию, даже от 1 единицы товара. Возможность оплаты картой. КОРПУСНОЙ ПОДШИПНИК UCT211 Размеры и параметры корпуса T 211 и корпусного подшипника UC 211 аналог TU..(SKF), RTUEY..(INA), LET(FKL). Внутренний диаметр (диаметр вала) — 55 мм; Наружный диаметр подшипника — 100 мм; Ширина подшипника (B1) — 55,6 мм; Длина корпуса (L) — 171 мм; Ширина корпуса (H) — 146 мм; Отверстие (N2 x N1) — 64×25 мм; Динамическая нагрузка — 41,23 kН; Статическая нагрузка — 27,93 kН; Масса — 4,1 кг. Подшипники типа UCT используют в сельскохозяйственных машинах, оборудовании, транспортерах, станках. Подшипники типа UCT являются очень подходящими для установки в труднодоступных местах. Корпуса обычно изготавливаются из прочного серого чугуна (именно такие распространены повсеместно), реже, для специфических условий эксплуатации, из пластика, прессованного металла, нержавеющей стали, каучука, других материалов. Сам корпусной подшипник имеет сферическое шлифованное наружное кольцо и легко устанавливается в гнездо корпуса (является самоцентрирующимся), при необходимости возможна быстрая замена выработавшего ресурс шарикоподшипника без демонтажа непосредственно корпуса. На вал подшипниковый узел крепится стопорным винтом (у других серий применяются закрепительные втулки и эксцентриковые кольца), при монтаже обычно оставляют небольшой зазор. Изделие широко используется в самых разных отраслях промышленности — на поточных линиях, конвейерах и подобном оборудовании, часто расход их на ремонт одного изделия составляет сразу несколько десятков. В подшипнике используется консистентная смазка, подаваемая в его полость через вертикальную масленку, желательно при работе подшипника, часто располагающуюся под небольшим углом (45 градусов) относительно оси или прямо по центру (как на рисунке), закрываемую по необходимости пластиковым колпачком.
Характеристики
Вес 2.1
Внутренний диаметр 55
Наружный диаметр 171
Высота 55.6
Материал изделия Сталь
Тип подшипника качения Шариковый
Вид нагрузки Радиальная
Форма тела качения Шарик
Число рядов тел качения 1
Сепаратор Да
Тип сепаратора Штампованный
Материал сепаратора Углеродистая сталь
loading